| |
 |
|
|
|
 |
|
 |
| |
| The Scuppers This is a new forum for the not necessarily fishing related topics... |
 |
12-22-2011, 05:32 PM
|
#1
|
|
Registered User
Join Date: May 2005
Location: East Bridgewater
Posts: 350
|
Need auto help!
The turn signal relay is constantly clicking on my 2000 GMC Sierra!! Yes the turn signal is off! Sometimes it is constantly clicking. Sometimes only intermittently. Tried replacing the turn signal relay but the new one clicks even more! Checked all the fuses. Any ideas what is causing this before I lose my sanity?
|
20' Aquasport CC 115hp Johnson 'SiouxToo'
|
|
|
12-22-2011, 05:42 PM
|
#2
|
|
"Fishbucket"
Join Date: Feb 2004
Location: Bahston Hahbah
Posts: 6,588
|
Probly the signal switch itself
Posted from my iPhone/Mobile device
|
|
|
|
|
12-22-2011, 05:53 PM
|
#3
|
|
Registered User
Join Date: May 2010
Location: Pembroke
Posts: 3,343
|
Do the turn indicators on dash come on when it happens? Can you make it start/stop by wiggling the hazard switch? I'll print the schematic tomorrow, pm me if you want help.
Posted from my iPhone/Mobile device
|
|
|
|
|
12-22-2011, 06:18 PM
|
#4
|
|
Registered User
Join Date: May 2005
Location: East Bridgewater
Posts: 350
|
No turn signals or hazards come on. No amount of playing with the hazard button, turn signal switch, steering wheel adjustment or just banging it with my fist will make it start or stop! lol Was hoping there might be some simple solution because the turn signal switch is +/- $175 plus labor! Ouch!
|
20' Aquasport CC 115hp Johnson 'SiouxToo'
|
|
|
12-22-2011, 06:33 PM
|
#5
|
|
"Fishbucket"
Join Date: Feb 2004
Location: Bahston Hahbah
Posts: 6,588
|
Pull the relay and use hand signals.
Problem solved
Posted from my iPhone/Mobile device
|
|
|
|
|
12-22-2011, 07:02 PM
|
#6
|
|
Registered User
Join Date: May 2005
Location: East Bridgewater
Posts: 350
|
Quote:
Originally Posted by thefishingfreak
Pull the relay and use hand signals.
Problem solved
Posted from my iPhone/Mobile device
|
I was tempted but with January coming......
|
20' Aquasport CC 115hp Johnson 'SiouxToo'
|
|
|
12-23-2011, 07:16 AM
|
#7
|
|
Finally
Join Date: Jan 2003
Location: FL
Posts: 7,181
|
Sounds like a short in the M/F (Multi-Function) switch to me.
|
F-18®
It IsWhat It Is
¸.·´¯`·.¸><((((º>¸.·´¯`·.¸><((((º>¸.·´¯`·.¸><((((º >¸.·´¯`·.¸><((((º>¸.·´¯`·.¸><((((º>¸.·´¯`·.¸><(((( º>
|
|
|
12-23-2011, 08:25 AM
|
#8
|
|
...
Join Date: Jan 2004
Location: MA/RI
Posts: 2,414
|
Bang on the steering column continuously for a longer period of time from different directions and much harder then you have in the past.
Posted from my iPhone/Mobile device
|
|
|
|
|
12-23-2011, 08:42 AM
|
#9
|
|
........
Join Date: Apr 2002
Posts: 22,805
|
when turn signals blink faster than they should
then its a bad ground for sure...
maybe one of the wires insulation got exposed by rubbing
so you can buy a 15 foot length of wire that will reach
from the switch to the tail light and by pass the original
to see what changes... if it goes back to normal
then you know that wire is grounding out somewhere.
|
|
|
|
|
12-23-2011, 09:41 AM
|
#10
|
|
Registered User
Join Date: May 2010
Location: Pembroke
Posts: 3,343
|
Was the "relay" you replaced the turn/hazard module under left side of dash?
|
|
|
|
|
12-23-2011, 09:49 AM
|
#11
|
|
Registered User
Join Date: May 2010
Location: Pembroke
Posts: 3,343
|
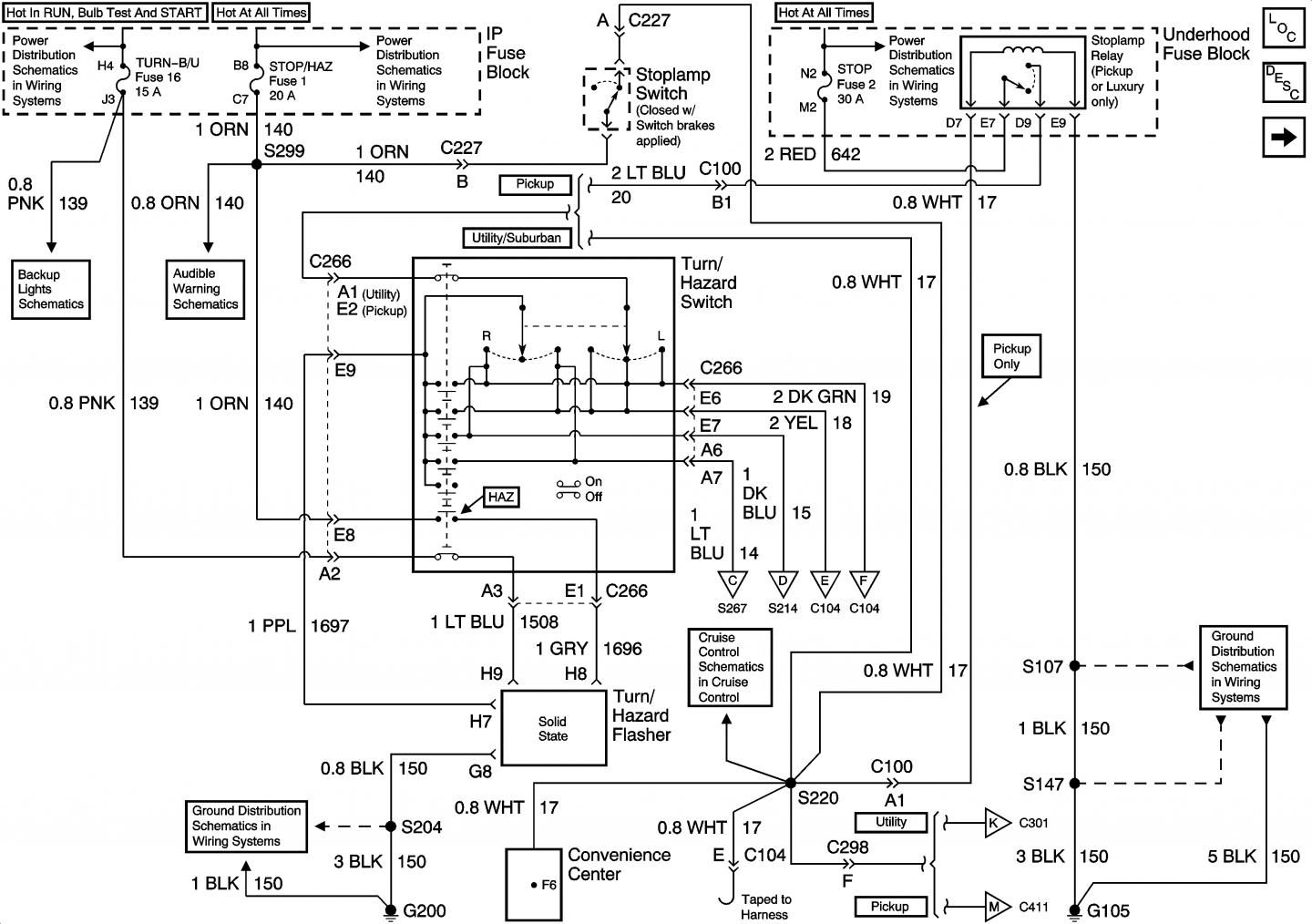
Here's a wiring diagram if it helps, let me know if I can help.
|
|
|
|
|
12-23-2011, 01:48 PM
|
#12
|
|
Registered User
Join Date: May 2005
Location: East Bridgewater
Posts: 350
|
Quote:
Originally Posted by tysdad115
Was the "relay" you replaced the turn/hazard module under left side of dash?
|
Yes it was the relay under the dash. New one clicks more than the old!!
And new round of banging on the steering column was unsuccessful!!
|
20' Aquasport CC 115hp Johnson 'SiouxToo'
|
|
|
12-23-2011, 05:08 PM
|
#13
|
|
...
Join Date: Jan 2004
Location: MA/RI
Posts: 2,414
|
The Hayes manual has the procedures for testing the signal switch module and removing the steering wheel. If you don't have steering wheel puller Autozone has loaners. The manual has a pin diagram to test the multiple switches with an ohm meter, replace only the defective switch.
The key ignition off when you get the clicking? Because it could be a faulty emergency switch causing the relay clicking. Unplug the emergency switch before doing anything else to see if the problem goes away
Posted from my iPhone/Mobile device
|
|
|
|
|
12-24-2011, 05:06 PM
|
#14
|
|
Registered User
Join Date: May 2005
Location: East Bridgewater
Posts: 350
|
I watched a YouTube video showing how to replace the signal switch. Seems fairly straight forward to replace it. But a new signal switch is well over $300 at Advance Auto! I will try tysdad115's diagram after xmas and trace the wires for a short. Then the junkyard after the holidays and try and pull one maybe. Definitely not in the budget right now! In the meantime I just turn the radio up until I can't hear it!
Redsoxticket: Only when the ignition is on and seems to be more often or constant when the truck is cold!
|
20' Aquasport CC 115hp Johnson 'SiouxToo'
|
|
|
 |
Posting Rules
|
You may not post new threads
You may not post replies
You may not post attachments
You may not edit your posts
HTML code is Off
|
|
|
All times are GMT -5. The time now is 12:13 PM.
|
| |